Industriell skapdørlåser den viktigste beskyttende komponenten i distribusjonsskap, kommunikasjonsskap, kontrollboks og annet utstyr, som er direkte relatert til sikkerheten til interne elektriske komponenter og stabil drift av systemet.
For å møte de varierte kravene til leveringstid og spesifikasjoner for forskjellige prosjekter, har vårt firma alltid fem typer vanlig brukte låser på lager --Lang stanglås, Panellås, Stangkontrolllås, Håndtakslås,Roterende tungelås. Samtidig støtter vi enhver ikke-standard lås tilpasset i henhold til tegninger eller prøver, som er perfekt egnet for alle typer metallfordelingsbokser.
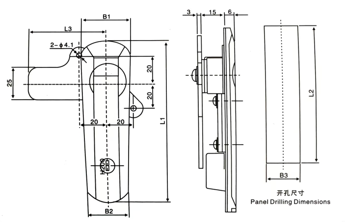
Planlås er en av de vanligste typene industrielle skapdørlåser, både vakre og enkle å vedlikeholde. Vårt firma lanserte AB301, AB302, AB303, AB402, AB403-serien planlås, i strukturell styrke, beskyttelsesytelse og driftsfølelse av den differensierte designen, kan møte de forskjellige spesifikasjonene til distribusjonsboksen, kravene til installasjon av kontrollskap.
| Dimensjoner | Produktnummer | |||||||
| L1 | L2 | L3 | B1 | B2 | Grå forkromning | Grå spraymaling | Svart pulverlakkert | Vekt (g) |
| 147 | 117 | 72 | 33 | 26.5 | AB301-1-1.2 | AB301-1-1.8 | AB301 | 370 |
| 120.5 | 95.5 | 65 | 30 | 23.5 | AB301-2-1.2 | AB301-2-1.8 | AB302 | 290 |
| 87.5 | 62.5 | 65 | 28.5 | 23.5 | AB301-3-1.2 | AB301-3-1.8 | AB303 | 215 |
Hovedmateriale: sinklegering.
Overflatebehandling: blank krom, matt, svart.
Funksjon og bruk: Realiser venstre og høyre døråpning, enkel å bruke, med forsegling og vanntett funksjon.
Hovedmateriale: sinklegering.
Overflatebehandling: blank krom, matt, svart.
Funksjon og bruk: Realiser venstre og høyre døråpning, enkel å bruke, med forsegling og vanntett funksjon.
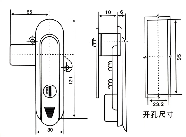
Materiale: sinklegering låsekropp, roterende aksel, galvanisert stålbolt, trykkplate.
Overflatebehandling: sølvgrå nanospray.
Strukturbeskrivelse: Roter 90 grader for å åpne eller låse.
| MODELL | L1 | L2 | L3 | B1 | B2 | B3 |
| NY AB402-A | 123 | 95.5 | 65 | 36.5 | 30 | 23.5 |
| NY AB403-A | 91 | 62.5 | 65 | 33 | 28.5 | 23.5 |
| NY AB401-A | 151 | 117 | 72 | 36 | 30 | 26.5 |
